SEW-MDX61B变频器定位控制调试流程
一、 调试准备
操作系统及调试软件
操作系统:Windows 7 64 位操作系统
调试软件:MotionStudio 6.10 SP1(6.1.0.1)

硬件系统
变频器:MDX61B0015-5A3
SEW 电机:DRL80S4BE2HR/FG/TF/AS7W

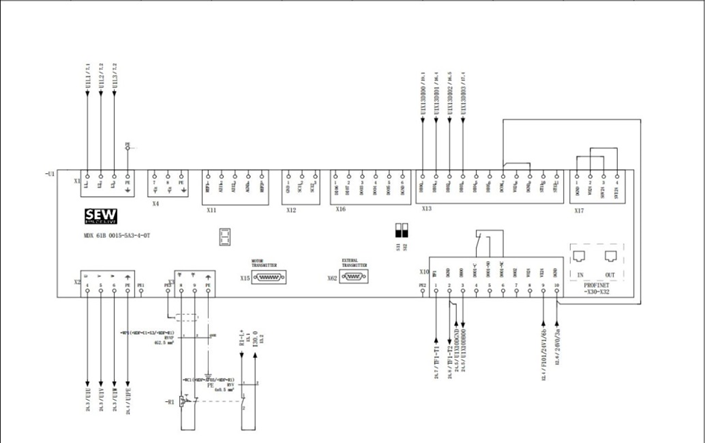
变频器接线图

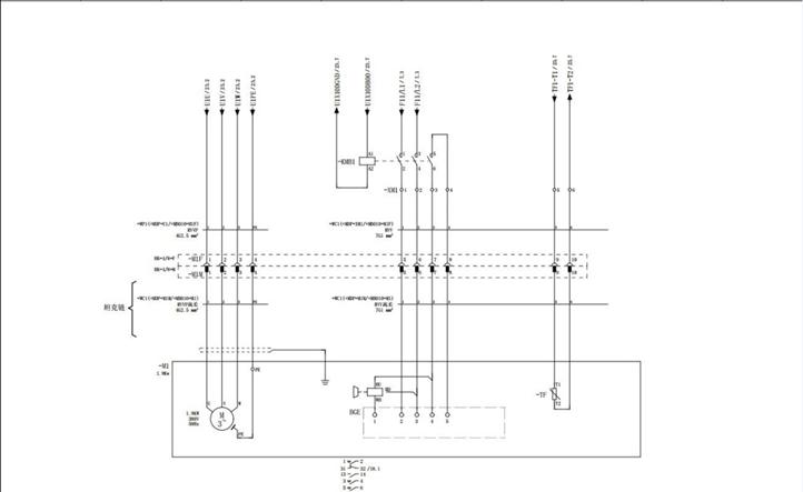
电机接线图
二、 变频器调试
连接变频器
双击桌面图标

弹出如下对话框:

选择通讯方式

SEW 软件提供如下几种方式与变频器进行连接(如图所示),常用的有如下几种方式:
1、 Serial:SEW 专用的编程电缆,可对变频器进行所有操作,电缆长度有限,有距离限制;
2、 Ethernet:普通网线即可连接调试,可使用无线路由器进行连接调试,现场使用方便,但部分操作无法通过网线实现;

本例中使用 Ethernet 方式进行调试,还需进行如下设置;点击“Edit”按钮,出现如下画面:

点击“Network adapter”按钮,选择当前与变频器连接的网卡;

通讯设置完成后,扫描网络,连接 SEW 变频器;

扫描出的设备如下图所示;

到这里 MotionStudio 软件已经和 SEW 变频器之间建立了连接;
电机初始化设置
在“Working with the unit”选项卡中选择“Startup”按钮;

弹出参数初始化界面,点击“Perform startup”按钮进行参数初始化操作;

点击“Start-up Set”按钮;

选择“Execute complete start-up”选项,点击“下一步”;

选择变频器与电机之间的控制方式:
1、Stand-alone motor:独立电机控制(常用控制方式)
1.1、Standard(V/F):VF 曲线控制(简单的速度控制选用)
1.2、Vector-controlled/Servo:矢量控制/伺服(带有编码器的选用)
2、Several identical motors:多个相同电机控制
3、Several different motors:多个不同电机控制

电机铭牌参数

选择电机类型;

按照电机铭牌参数填写下列参数;


选择是否使用编码器;

选择应用模式
1、 Speed control: 速度控制
2、 Use hoist:举升控制(如升降机、吊具等选择此项)
3、 Positioniong with IPOS: IPOS-位置控制(精定位控制设备)
4、 Use torque control: 转矩控制(电机恒转矩输出应用)

选择 CFC/VFC 控制方式

CFC 与 VFC 控制方式的区别(建议一般应用时选择 CFC,滚床、升降机、吊具等举升设备应用时选择 VFC)

选择 CFC 控制模式后,出现如下界面;

参数说明:
1、 Load inertia:负载惯量,该参数一般由电机厂家提供,如未提供该参数,可由以下方法计算:
a、 Jx=m*r2,m=质量,r=半径;
b、 单击“Testing”,让设备在实际工作状态运动几次,这时变频器会自动上传测得的数据;
c、 经验值,水平运动设备的负载惯量为 J0 motor 的 8-15 倍,举升运动设备的负载惯量为 J0 motor 的 3-5 倍;
2、 Drive:输入电动机是否有减速机;
3、 Brake:输入电动机是否有制动;
4、 Z fan:输入电动机是否有高惯量风扇;
设置电机参数

速度控制参数,建议使用系统推荐参数

设置变频器参数

设置完成,下载参数至变频器;(注:需在强电断开时才能下载)

MotionStudio 驱动电机
设置完成变频器参数后,使用 MotionStudio 软件手动来驱动电动机,用来验证电机接线、抱闸接线、编码器接线的正确性及机械可动性;
在“Working with the unit”选项卡中选择“Manual mode”按钮;

弹出如下画面

扩展总线定位模式
在“Working with the unit”选项卡中选择“Extended positioning via bus”按钮;

设置通讯方式及通讯超时响应

外部机械参数设定,该参数应由机械设计人员提供,参数设置只影响编码器在 PLC 中的反馈值;

设置软限位,速度,寻零方式等

设置完成,下载至 SEW 变频器;下载完成后需修改外部 IO 端子定义;

外部 IO 端子设置如下图所示,DI00 系统默认为外部使能,无法修改,在使用外部总线通讯控制时,DI00 端子需置“1”;

上图外部端子定义如下:
DI01:正转限位(常闭信号,高电平有效)
DI02:反转限位(常闭信号,高电平有效)
DI03:参考零点
实际应用过程中需根据外部硬件接线来定义外部 IO 端子功能;
下载完成后,进入如下界面;

控制字&状态字说明


控制字说明

Mode high 与 Mode low 两位组合使用,表示三种控制模式:
10:寻零模式;01:JOG 模式;11:定位模式;
状态字说明

寻零模式说明
扩展总线定位模式设定完成后,变频器可在定位模式下运转,但还需要根据现场实际情况设定零点,确定寻零方式;SEW 变频器中提供了 9 种寻零的方式,需在 903 参数中设定;

具体寻零型式如下列所述:

除了型式 8,参考运行必须在变频器“Ready”和“Enable”状态才可进行;

AMA0801配置
一字库位




校零

附录 1:转台提速使用参数


扩展总线定位模式中的设置:

附录 2:举升设备相关参数
升降设备需设置抱闸相关参数

731:电机启动抱闸打开参数,变频器启动 0.15 秒输出正常扭矩,此时变频器认为抱闸已经打开,参数默认值 0.1,在升降设备中,若启动时设备有向下掉的动作,此参数可适当减小;
732:电机停止抱闸失电参数,在抱闸断电 0.35 秒后,变频器才停止工作,参数默认值 0.2,若升降设备停止时设备有向下掉的动作,此参数可适当增大;
附录 3:常见故障解决方案
1、 变频器 F08 故障,转速监视;
故障现象:电机运行一段时间(时间很短,<1s),变频器即报 F08 故障;
故障原因:编码器连接或电机旋转方向不正确;
临时措施:修改 P500 或 P502 参数(关闭转速监控);
后期解决:检查电机相位;检查编码器连接,成对调换 A/A-和 B/B-;
2、变频器 F14 故障,编码器;
故障现象:变频器启动运行即报 F14 故障;
故障原因:编码器电缆屏蔽未正确连接;
临时措施:断开变频器供电电源,等待一段时间再上电(如无效则需立即检查编码屏蔽);
后期解决:检查编码器屏蔽层连接;编码器电缆是否存在强电干扰;











